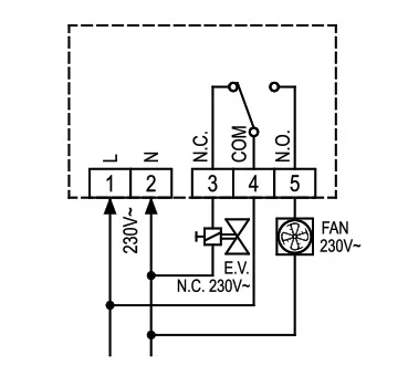
Detector de monóxido de carbono (CO) por acumulación, con posibilidad de controlar directamente una electroválvula a 230V~
- Alimentación: 230V~ -15/+10% 50Hz
- Tipo de sensor: celda electroquímica intercambiable
- Umbral de intervención: 30 ppm 5 ppm
- Salida (relé): 5(2)A @ 250V~ SPDT
- Vida útil del sensor: 5 años
- Señalización LED verde: Detector activo
- Señalización LED amarillo: Detector dañado
- Señalización LED rojo: alarma, dispositivo sonoro después de 15 segundos
- Tiempo de activación: 1 minuto
- Conformidad con las normas (EMC 2004/108/CE y LVD 2006/95/CE): EN 50291-1(2010)
- Tiempo de activación: 1 minuto
- Tiempo de retardo del relé: 30 segundos
- Temperatura de funcionamiento: 0ºC..40ºC
- Límites de humedad: 20%..80% RH (no condensante)
- Grado de protección: IP42
- Dimensiones: A107 L85 P38 mm



